Hier vind je een overzicht van alle meest recente schema's. Als er dus iets is geüpdatet, zal dit bericht veranderen. Let goed op het versienummer, welke is te vinden in de bestandsnaam!
Veranderingen, rectificaties en modificaties:
Fouten komen voor in een ontwerp en de uitwerking, dus deze sectie is zeer belangrijk! Een uitgebreide uitleg staat doorgaans in de berichten en reacties van de topics van de afzonderlijke modules in het
hoofdmenu.

Voeding:
- Voeding: C4 wordt opgewarmd door D1(brugcel). Plaats C4 wat hoger (5mm op draadjes).
- Voeding Voeg een extra filter toe in de 24V naar de tuner. 100uH+220uF
- Voeding: U5 en U6 Hebben een verkeerde opdruk op de print en moeten ongeveer een kwart gedraaid worden!

Counter:
- De prescaler in de tuner deelt door 256. Hier door wordt de meettijd 4x zo lang. Dit geeft als resultaat dat het analyzerbeeld ligt gaat knipperen. Door een andere prescaler in de Dantec tuner te plaatsen, een die door 64 deelt is het probleem opgelost. Anders zou ook de sweep print aangepast moeten worden.

IF logdetector:
- IF logdetector pakketten die zijn verstuurd: We hebben per ongeluk component 42 (weerstanden van 1k) verkeerd verpakt. In het pakket zit namelijk 100k. Verkeerde rol gepakt.... controleer goed dat je 1k weerstanden gebruikt.
- IF logdetector pakketten die zijn verstuurd: Item 1, de C van 22pF is geplakt op een papiertje met daarbij nog de verkeerde C nummers. Dat moet zijn: Item 1 | aantal 3 | reference C2,C43,C52 | Part: 22PF | Behuizing SMD 0805. Tip: gebruik de nieuwste componentenlijst, die hieronder ergens is te downloaden (v.1.00).
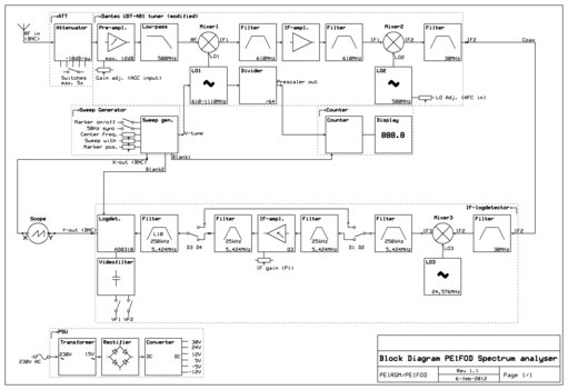
Blokschema en bouw van het geheel:
Link: Obouw en afregeling van het geheel wordt hier verder besproken in dit topic (hier kunnen jullie dus ook berichten plaatsen)
AN-Overz-sht105.pdf
- Bedradingsschema voor het aansluiten van de modules, potmeters en schakelaars
- (41.24 KiB) 1683 keer gedownload

- Plank met testopstelling

- Blokschema van de spectrum analyzer, ideaal om deze analyzer wat beter te begrijpen (ook voor het afregelen)
Sweep generator:
Link: Topic over de bouw van de sweep generator (hier kunnen jullie ook berichten plaatsen)
Voeding:
Link: topic over de bouw van de voeding (hier kunnen jullie ook berichten plaatsen)
Benodigde transformator: 15V, minimaal 1,5A.
De spanning van de transformator mag niet te laag wezen. Veel hoger moet je ook niet gaan, omdat er anders erg veel vermogen wordt gedissipeerd in de 7805. Zorg hoe dan ook voor voldoende koeling van de 7812 en 7805! Een koelblok of plaat is noodzakelijk. Meet na het bouwen alle uitgangsspanningen na. Deze mogen niet teveel afwijken. Vooral de 24V uitgang verdient aandacht. Daaraan kun je zien of de MC34063 het wel doet. Wijkt de spanning meer dan 0,5V af, dan moet je aandacht gaan geven aan deze "Integrated Switch" of alles daaromheen. Vergeet niet het filter te plaatsen op deze 24V uitgang (zie modificaties).
AN-Voeding-V108.pdf
- Schema, PCB en componentenlijst van de voeding.
- (400.9 KiB) 1704 keer gedownload
20091127 Voeding.zip
- Foto's van de voeding, let op de positie van de spanningsregelaars, zoals afgebeeld in foto 1. Deze staan een beetje gedraaid op de print.
- (3.59 MiB) 1627 keer gedownload
mc34063a.pdf
- Datasheet MC34063A
- (732.62 KiB) 1713 keer gedownload
"De LM79L12 en LM79L05 hebben een verkeerde voet print en moeten een kwart slag gedraaid worden op de groene printlayout. In het schema staan ze wel goed. Zie ook de foto's."
Counter:
Link: Topic over de bouw van de counter (hier kunnen jullie ook berichten plaatsen)
AN-Counter-V104e.pdf
- Schema, PCB en componentenlijst van de counter.
- (751.33 KiB) 1862 keer gedownload
SC52-11EWA_LED.pdf
- 13.2MM SINGLE DIGIT NUMERIC DISPLAYS
Datasheet - (154.42 KiB) 1688 keer gedownload
Opmerkingen:
- De reden dat we BAT83 diodes gebruiken, is omdat Timo deze op voorraad had. Je mag bijvoorbeeld ook 1N4148 gebruiken voor de headers.
- Foto's van hoe je de headers moet aansluiten, gaan we gedetailleerd uitleggen in de link hieronder (klaar).
- Stel ook je vragen met betrekking tot de counter in onderstaande link!
IF logdetector:
Link: Topic over de bouw van de IF logdetector(hier kunnen jullie ook berichten plaatsen)
AN-IF-V100-all.pdf
- Schema IF logdetector v1.00, PCB en componentenlijst.
Attentie, bevat nog de oude componentenlijst. Download deze los (hieronder). - (586.43 KiB) 1765 keer gedownload
AN-IF-cmp100a.pdf
- IF Partlist v 1.00a
De nieuwste onderdelenlijst. - (33.26 KiB) 1706 keer gedownload
AN-IF Blikwerk gatenmal.pdf
- Gatenmal voor blikwerk die geleverd is in het bouwpakket. Tip, als je dit document afdrukt, kies er dan voor om de pagina niet te schalen in de printmodule. Ofwel, verklein het document niet als je deze afdrukt. Dan wordt de afbeelding op ware grootte afgedrukt.
- (798 KiB) 1691 keer gedownload
Info voor mensen die zelf een pakketje onderdelen willen samenstellen:
De 10.7MHz spoeltjes zijn van Coils met de volgende spec's:
FH-806009 L1:3.3-7.0uH, L2:0.4-0.6uH 10.7 MHz 47pF L1-TAP=½
Voor de juiste shape van het filter is het van belang dat de L/C verhouding niet veranderd.
De ringkernen: T37-2=rood en de T37-6=geel

- BF-998 footprint

- BF-998 heeft één dikker pootje. De print heeft op dat punt ook een dikker eilandje.

- Tantaal positie. De streep is de plus. Dat zou je misschien niet verwachten.

- Positionering AD8310 en LM78L05SM

- Breek alleen bij L4 het C-tje aan de onderkant er uit.

IF logdetector pakketten die zijn verstuurd: We hebben per ongeluk component 42 (weerstanden van 1k) verkeerd verpakt. In het pakket zit namelijk 100k. Verkeerde rol gepakt.... controleer goed dat je 1k weerstanden gebruikt.

IF logdetector pakketten die zijn verstuurd: Item 1, de C van 22pF is geplakt op een papiertje met daarbij nog de verkeerde C nummers. Dat moet zijn: Item 1 | aantal 3 | reference C2,C43,C52 | Part: 22PF | Behuizing SMD 0805. Tip: gebruik de nieuwste componentenlijst, die hieronder ergens is te downloaden (v.1.00).
Ombouw UDT-401 tuner:
Link: Topic over de ombouw van de tuner (hier kunnen jullie ook berichten plaatsen)
AanpassingenUDT401-V092.pdf
- Hoewel dit nu versie 0.92 is, is het niet de verwachting, dat er nog zaken gaan veranderen. Je kunt gerust je tuner ombouwen volgens deze beschrijving.
- (297.71 KiB) 1685 keer gedownload

Gebruik bij voorkeur SMD voor de extra 1nF C's aan de ingang. Sommige typen keramische C's zijn ongeschikt.
Dantec.pdf
- Datasheet en schema van de Dantec UDT-401 tuner
- (470.49 KiB) 1616 keer gedownload
Ombouw tuner.zip
- Foto's van de ombouw van de tuner
- (14.07 MiB) 1663 keer gedownload
Ingangsverzwakker:
Deze verzwakker is bedoeld om het ingangssignaal te verzwakken in 10dB stappen.
T-Pi-pad5075.pdf
- Weerstanden tabel voor Pi en T verzwakkers. Deze hebben we niet nodig voor dit project (10dB waarden zijn al in het schema weergegeven), maar kan handig zijn als je nog eens een verzwakker wil maken.
- (31.91 KiB) 1439 keer gedownload