TNC2C-NL TNC packetradio modem documentatie
Schema's:
Diverse info, modificatie, DCD en bouwbeschrijving:
TNC2C-NL TNC packetradio modem documentatie
- Tjalling PE1RQM
- Forum beheerder

- Berichten: 1091
- Lid geworden op: 09 feb 2007, 22:13
- Roepletters: PE1RQM
- Locatie: Leusden
- Contacteer:
- Tjalling PE1RQM
- Forum beheerder

- Berichten: 1091
- Lid geworden op: 09 feb 2007, 22:13
- Roepletters: PE1RQM
- Locatie: Leusden
- Contacteer:
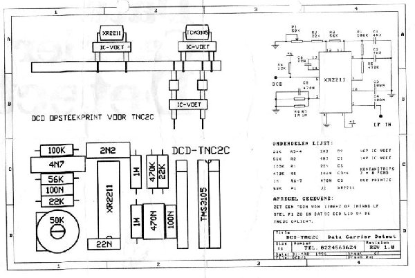
Data Carrier Detect
Dit is een opsteekprintje, om je TNC2C-NL (of soortgelijke modem) uit te breiden met een Data Carrier Detect, oftwel een soort squelch. Voor 1200bd en komt in de voet van de TCM3105. De TCM3105 zelf komt weer op dit printje.
- Tjalling PE1RQM
- Forum beheerder

- Berichten: 1091
- Lid geworden op: 09 feb 2007, 22:13
- Roepletters: PE1RQM
- Locatie: Leusden
- Contacteer:
Re: TNC2C-NL TNC packetradio modem documentatie
Leuk he, die mooie TNC's van toen. Leuke Z80 computertjes!