Hulp gevraagd hoogspanningsvoeding
Forumregels
Plaats hier je bouwsels. Gebruik gerust de bijlagenfunctie van dit forum om bijvoorbeeld foto's en schema's toe te voegen. ATV (amateur televisie) bouwprojecten kun je beter in het ATV subforum plaatsen.
Plaats hier je bouwsels. Gebruik gerust de bijlagenfunctie van dit forum om bijvoorbeeld foto's en schema's toe te voegen. ATV (amateur televisie) bouwprojecten kun je beter in het ATV subforum plaatsen.
Hulp gevraagd hoogspanningsvoeding
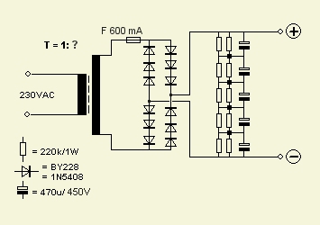
Voor het bouwen van een zgn. Frineair 150 (HF lineair) heb ik een trafo uit een magnetron gebruikt van het type SHV-745EC1. Volgens de specificaties zou deze bij 230V AC op de ingang secundair zo'n 2.23 kV AC moeten leveren. Na gelijkrichting en afvlakking zou ik zo'n 2.2 x 0.7 is ca. 1.5 kV gelijkspanning op de anode van de zendbuis kunnen zetten, ideaal voor dit project.
Ik heb een gelijkrichtprintje gemaakt met 4 x 3 diodes 1N5408 zodat de schakeling 3 kV kan verwerken. Voor het afvlakken gebruik ik 4 elco's van 470 uF 450V. Over iedere elco heb ik twee weerstanden van 220 kOhm/1W gezet om zo een soort spanningsdeler te creeren zodat iedere elco ongeveer evenveel spanning te verduren krijgt.
Bij het testen heb ik een paneelmeter van 1.5 kV gelijkspanning aan de uitgang gezet. Mijn multimeter gaat maar tot 1000V dus die heb ik met twee krokodillenklemmen over één van de elco's gezet.
Na het inschakelen van de spanning vielen een aantal dingen op. De naald van de paneelmeter gaat meteen rechts in de hoek; de spanning is blijkbaar veel hoger dan 1.5 kV. Ook gaf de multimeter aan dat de spanning over die ene elco maar liefst 560 V was. Ik heb dus meteen de stekker er weer uitgetrokken. Binnen twee minuten waren de elco's, dankzij de 110 kOhm weerstand ertussen, weer volledig ontladen.
Omdat ik nog een extra elco van 470 uF had heb ik deze erbij in serie geplaatst, ook weer met twee weerstanden van 220 kOhm er over.
Opnieuw getest, nu loopt de gelijkspanning over één elco geleidelijk op tot maar liefst 555 Volt na ca. één minuut. Ook hoor ik een licht gesis uit de buurt van de elco's komen. Dus ik heb na een minuut maar weer de spanning er af gehaald, de elco's zijn al aardig warm na één minuut.
Heeft iemand een idee wat ik hier fout doe? Waarom was de gelijkspanning eerst ca. 2240V (4 x 560) en na het toevoegen van een extra elco maar liefst 2775V (5 x 555V) ? Komt dit omdat de voeding nog onbelast is of maak ik misschien een domme meetfout vanwege de hoge weerstandswaarde (110 kOhm) waarover ik meet? De gebruikte multimeter was een MY-64.
Ik heb een gelijkrichtprintje gemaakt met 4 x 3 diodes 1N5408 zodat de schakeling 3 kV kan verwerken. Voor het afvlakken gebruik ik 4 elco's van 470 uF 450V. Over iedere elco heb ik twee weerstanden van 220 kOhm/1W gezet om zo een soort spanningsdeler te creeren zodat iedere elco ongeveer evenveel spanning te verduren krijgt.
Bij het testen heb ik een paneelmeter van 1.5 kV gelijkspanning aan de uitgang gezet. Mijn multimeter gaat maar tot 1000V dus die heb ik met twee krokodillenklemmen over één van de elco's gezet.
Na het inschakelen van de spanning vielen een aantal dingen op. De naald van de paneelmeter gaat meteen rechts in de hoek; de spanning is blijkbaar veel hoger dan 1.5 kV. Ook gaf de multimeter aan dat de spanning over die ene elco maar liefst 560 V was. Ik heb dus meteen de stekker er weer uitgetrokken. Binnen twee minuten waren de elco's, dankzij de 110 kOhm weerstand ertussen, weer volledig ontladen.
Omdat ik nog een extra elco van 470 uF had heb ik deze erbij in serie geplaatst, ook weer met twee weerstanden van 220 kOhm er over.
Opnieuw getest, nu loopt de gelijkspanning over één elco geleidelijk op tot maar liefst 555 Volt na ca. één minuut. Ook hoor ik een licht gesis uit de buurt van de elco's komen. Dus ik heb na een minuut maar weer de spanning er af gehaald, de elco's zijn al aardig warm na één minuut.
Heeft iemand een idee wat ik hier fout doe? Waarom was de gelijkspanning eerst ca. 2240V (4 x 560) en na het toevoegen van een extra elco maar liefst 2775V (5 x 555V) ? Komt dit omdat de voeding nog onbelast is of maak ik misschien een domme meetfout vanwege de hoge weerstandswaarde (110 kOhm) waarover ik meet? De gebruikte multimeter was een MY-64.
- Bijlagen
-
- Zo ziet het er momenteel uit.
- hvschema.jpg (33.39 KiB) 53835 keer bekeken
Re: Hulp gevraagd hoogspanningsvoeding
Bij een bruggelijkrichter: 2,2kV x 1,4 = 3,1kV
Pas op! Levensgevaarlijk!
René
Pas op! Levensgevaarlijk!
René
Re: Hulp gevraagd hoogspanningsvoeding
Dank voor je bezorgheid René. Het is ook levensgevaarlijk dus bij het inschakelen blijf ik zelfs het liefst een paar meter uit de buurt.rbeckers schreef:Pas op! Levensgevaarlijk!
Je hebt helemaal gelijk, hier raak ik altijd in de war. Bij vier diodes zal ik op ca. 3,1 kV uitkomen.rbeckers schreef:Bij een bruggelijkrichter: 2,2kV x 1,4 = 3,1kV
Maar ik heb maar zo'n 1100 à 1500V nodig. Kan ik dan beter een enkelvoudige gelijkrichting toepassen? Dus een drietal diodes (1000V elk) in serie en daarover een zestal elco's van 470 uF/450V voor de zekerheid? Misschien geeft dit nog teveel rimpel en is er een betere methode.
Aanvullende vraag: De trafo is secundair aan een kant geaard dus die heb ik 'zwevend' in de kast geplaatst, de kast zelf is geaard via het netsnoer. Ik was van plan om de min van de gelijkstroomuitgang aan de kast te bevestigen. Op een aantal foto's en filmpjes zag ik dat dit meestal zo word gedaan.
Is dit veilig genoeg als alles goed geaard is of kan ik nog extra veiligheidsmaatregelen treffen?
Re: Hulp gevraagd hoogspanningsvoeding
Bij enkelvoudige gelijkrichting loopt er een DC stroom door de trafo.
Dit is niet goed voor de trafo maar misschien dat het gaat bij het afgenomen vermogen.
Als je de stroomsterkte weet die er primair loopt kun je de secundaire spanning op
verschillende manieren verlagen. Een weerstand in serie met de primaire van de trafo,
een condensator in serie, de secundaire van een andere trafo die primair aan de 230V
is aangesloten, in serie zetten. Of bijvoorbeeld fase aansnijding.
Al deze methodes hebben nogal wat nadelen.
Aarden van een secundaire helpt hier niet veel voor de veiligheid. De lading in de condensatoren
en de secundaire spanning zijn gevaarlijk en een aarde lost dat probleem niet op. Een
weerstand of NTC in serie met de secundaire, voor de gelijkrichter, beperkt de (inschakel)stroom.
Ook achter de condensators kan een weerstand.
René
Dit is niet goed voor de trafo maar misschien dat het gaat bij het afgenomen vermogen.
Als je de stroomsterkte weet die er primair loopt kun je de secundaire spanning op
verschillende manieren verlagen. Een weerstand in serie met de primaire van de trafo,
een condensator in serie, de secundaire van een andere trafo die primair aan de 230V
is aangesloten, in serie zetten. Of bijvoorbeeld fase aansnijding.
Al deze methodes hebben nogal wat nadelen.
Aarden van een secundaire helpt hier niet veel voor de veiligheid. De lading in de condensatoren
en de secundaire spanning zijn gevaarlijk en een aarde lost dat probleem niet op. Een
weerstand of NTC in serie met de secundaire, voor de gelijkrichter, beperkt de (inschakel)stroom.
Ook achter de condensators kan een weerstand.
René
Re: Hulp gevraagd hoogspanningsvoeding
Dank René!
De schakeling zal later worden afgeregeld naar een anode(rust)stroom van 20-25 mA met een piekstroom van max. 200 mA.
Mijn vraag is eigenlijk concreet: is het verstandig om de DC min uitgang aan het chassis vast te maken zodat deze op aardpotentieel komt? De kast is natuurlijk zelf ook geaard. Er is dan maar één (hoog)spanningsvoerende draad.
En wat kan er in het ergste geval gebeuren, bijv. iemand neemt later de lineair van mij over en gebruikt vervolgens een verlengsnoer zonder randaarde?
Ja ik heb besloten om dit plan met de magnetrontrafo maar te laten varen en m.b.v. een 1:1 scheidingtrafo de spanning op te transformeren naar 1300V. Frits heeft hier een mooi en eenvoudig ontwerpje voor waarmee je ook nog eens in twee stappen kunt opschakelen.rbeckers schreef:... Al deze methodes hebben nogal wat nadelen.
De schakeling zal later worden afgeregeld naar een anode(rust)stroom van 20-25 mA met een piekstroom van max. 200 mA.
Nee die magnetron trafo's zijn meestal standaard secundair geaard. Dat is vastgeklonken aan het weekijzer en door het los te peuteren kunnen gevaarlijke situaties ontstaan en daardoor moest ik hem noodgedwongen zwevend in de kast monteren.rbeckers schreef:Aarden van een secundaire helpt hier niet veel voor de veiligheid....
Mijn vraag is eigenlijk concreet: is het verstandig om de DC min uitgang aan het chassis vast te maken zodat deze op aardpotentieel komt? De kast is natuurlijk zelf ook geaard. Er is dan maar één (hoog)spanningsvoerende draad.
En wat kan er in het ergste geval gebeuren, bijv. iemand neemt later de lineair van mij over en gebruikt vervolgens een verlengsnoer zonder randaarde?
- Bijlagen
-
- verviers1.gif (3.83 KiB) 53819 keer bekeken
Re: Hulp gevraagd hoogspanningsvoeding
Ik zou de DC min niet aarden.
Minder kans op aardlussen en als je, bij alleen de voeding aangesloten, één van de twee HV-DC aanraakt dan
loopt er geen stroom. Maar de DC min hangt toch ergens in een schakeling.
René
Minder kans op aardlussen en als je, bij alleen de voeding aangesloten, één van de twee HV-DC aanraakt dan
loopt er geen stroom. Maar de DC min hangt toch ergens in een schakeling.
René
Re: Hulp gevraagd hoogspanningsvoeding
Dank je René. Het gaat om dit ontwerp: http://pa0fri.home.xs4all.nl/Lineairs/F ... fri150.htmrbeckers schreef:...Maar de DC min hangt toch ergens in een schakeling.
Aan de foto's te zien is in diverse uitvoeringen het chassis telkens als min gebruikt. Dit heeft ook praktische voordelen omdat je dan bijv. de PL chassisdelen gewoon aan de kast vast kunt maken. Ook kun je bij de variabele condensatoren de kast gewoon als min gebruiken.
Maar als dit gevaarlijk is dan gebruik ik liever aparte draden, ik heb geen enkele ervaring met dit soort hoge spanningen dus speel liever op safe.
Re: Hulp gevraagd hoogspanningsvoeding
Leuk ontwerp.
De HV min mag wel aan aarde zolang je maar oppast!
René
De HV min mag wel aan aarde zolang je maar oppast!
René
Re: Hulp gevraagd hoogspanningsvoeding
Voeding is inmiddels klaar en levert ca. 1250V. Ik was van plan om de min op een aparte printplaat te zetten, los van het chassis. Maar dan zou via de in- en uitgang d.m.v. de PL-chassisdelen een hoge spanning op de buitenmantel van de coax komen te staan. Omdat m'n ATU geaard is zou de min indirect toch weer geaard worden.rbeckers schreef:Leuk ontwerp.
De HV min mag wel aan aarde zolang je maar oppast!
René
Ik zie ook geen andere mogelijheid of zie ik iets over het hoofd?
Re: Hulp gevraagd hoogspanningsvoeding
De optie is om de pluggen via HF trafo's aan te sluiten.
Maar dat is teveel moeite en verplaatst het probleem.
Leg de HV min maar aan het chassis.
René
Maar dat is teveel moeite en verplaatst het probleem.
Leg de HV min maar aan het chassis.
René
-
Johan PD1JMB
- .

- Berichten: 45
- Lid geworden op: 25 jun 2007, 16:07
- Locatie: Utrecht
- Contacteer:
Re: Hulp gevraagd hoogspanningsvoeding
Kleine tip, mocht je nog een keer aan HV meten dan kan je dit ook met een doe het zelf HV probe doen. Negen 10M weerstanden in serie met de pluskant van de DMM probe en je hebt een 1:10 spanningsdeler. Spanning x 10 en je hebt ongeveer het DC voltage wat je aan het meten bent. Hiermee uiteraard geen meerdere kV's gaan meten ivm overslag en veiligheid, maar tot een kV of twee heb ik nooit problemen gehad.Herman schreef: Bij het testen heb ik een paneelmeter van 1.5 kV gelijkspanning aan de uitgang gezet. Mijn multimeter gaat maar tot 1000V dus die heb ik met twee krokodillenklemmen over één van de elco's gezet.
Na het inschakelen van de spanning vielen een aantal dingen op. De naald van de paneelmeter gaat meteen rechts in de hoek; de spanning is blijkbaar veel hoger dan 1.5 kV. Ook gaf de multimeter aan dat de spanning over die ene elco maar liefst 560 V was.
Ik meet met een dergelijk ding aan mijn geigertellers en PMT voedingen en dat werkt zeer handig, geen aparte meters nodig.
http://www.julietmikebravo.nl o.a. streams van repeaters in de randstad, Utrecht en PI2UTR

