Het grote wobbel/networkanalyzer topic

Forumregels
Plaats hier je bouwsels. Gebruik gerust de bijlagenfunctie van dit forum om bijvoorbeeld foto's en schema's toe te voegen. ATV (amateur televisie) bouwprojecten kun je beter in het ATV subforum plaatsen.
Gebruikersavatar
fred101
.
.
Berichten: 878
Lid geworden op: 08 jun 2007, 08:08
Roepletters: PA4TIM
Locatie: Waardenburg
Contacteer:

Re: Het grote wobbel/networkanalyzer topic

Ongelezen bericht door fred101 »

foutje het is ook een HP1740a. Ik had de specs opgezocht en krreg toe de hp folder en die is ook voor de 41 en dat had ik onthouden. Dat storage gedoe is dus alleen de 41
PA4TIM's opvangtehuis voor buizenbakken: Link
Gebruikersavatar
elmer
.
.
Berichten: 46
Lid geworden op: 23 mar 2009, 16:30
Locatie: Friesland (JO23rd)
Contacteer:

Re: Het grote wobbel/networkanalyzer topic

Ongelezen bericht door elmer »

Het blijft een leuke scoop, met of zonder storage!
Gebruikersavatar
fred101
.
.
Berichten: 878
Lid geworden op: 08 jun 2007, 08:08
Roepletters: PA4TIM
Locatie: Waardenburg
Contacteer:

Re: Het grote wobbel/networkanalyzer topic

Ongelezen bericht door fred101 »

Ik heb de units uit de rus getrokken. De VCO doet het prima. De LO blijkt ook een vco te zijn (ik kreeg hem met 0-12VDC grofweg van 700 tot 1200MHz. Daarin zit een weerstand die behoorlijk heet wordt. Ik was aan het meten en ineens doet hij het weer maar hij valt dan ook ineens weer uit. Als ik links de printplaat induw (ook met iets geisoleerds) slaat hij ineens weer aan maar als ik hem loslaat slaat hij weer af. Raadselachtig, misschien een printbreuk maar hij trekt in zijn eentje bijna 400mA , dat gecombineerd met een hete weerstand duidt toch op een fout maar er zitten nog geen 10 onderdelen in die LO en die lijken allemaal goed. Zou dit nu de oorzaak blijken te zijn. Voeding veel te zwaar belast, die gaat defect, daardoor sneuvelt de rest wat weer problemen in de andere voedingen veroorzaakt. Kortom sneeuwbal effect. Kijken of ik wat onderdelen nog aan elkaar kan knopen en met wat zelfbouw erbij nog een wobbelaar kan produceren.

Ik heb een hele stapel tv tuners liggen. Die was ik aan het nakijken ivm onderdelen voor een ruisbron. Maar daar zit geen MAR in.
Ik heb wel twee leuke units liggen. Een ervan werkt zo te zien ook nog. Daar staat een LO te loeien op 450MHz met een behoorlijke output ( op basis van een BFQ34)
Het zijn twee UFO06 umsetzers 299,079 ZF 513,25MHz Daar zitten wat leuke hf onderdelen:
- twee metalen blokjes met draaiknopje op waarop staat Ruwido a=> 20dB bij 75 ohm, geen idee. Een ampje of verzwakker
- Een metaal blokje met opdruk I-800F gezien de plaats/aansluitingen een mixer.
- Een OFWG4952 K8/V4 (bruin, SAW filter denk ik)
- meerdere bfr91a torren
- een bfr96s
- een bfq34
- een TL082CP, dat is een opamp meen ik.

Ik heb ze nog niet gegoogled. Ook in die tuners zitten leuke VHF torren. De ruisbron die ik had doet niets. Zit wel een spannende diode in maar ook drie bc547's dus die is echt voor HF ontvangers bedoeld.

Ik kan misschien een HP precisie AC versterker kopen voor heel weinig.
PA4TIM's opvangtehuis voor buizenbakken: Link
Gebruikersavatar
fred101
.
.
Berichten: 878
Lid geworden op: 08 jun 2007, 08:08
Roepletters: PA4TIM
Locatie: Waardenburg
Contacteer:

Re: Het grote wobbel/networkanalyzer topic

Ongelezen bericht door fred101 »

De VCO, LO en versterkers doen het weer. Er was een zener dood (goh, dat komt nou nooit voor), een Ctje "weg" in de LO. Ik heb dus nu weer twee werkende units. Ik heb er een trafo in gezet die 20-0-20VAC is.

De middenaftakking nu aan aarde gelegd. Nu heb ik links de negatieve voedingen gelegd en rechts de positieve. Mijn idee voor de 50V was om die links en rechts te leggen maar dat werkt niet. Die moet dus ook met een draad naar massa dus ik kan geen 50V maken, daar moet is dus eerst nog spanningsverdubbeling gaan toepassen. De +12 is overleden, waarschijnlijk nog op die rotte trafo en een slechte elco want hij ging met een knal. Dus die moet opnieuw. Ik heb geen LM317's meer dus ik ga hier een gewone 7812 opzetten met diode onder ref.

Nu zit ik dus alleen met de rest nog. Kijken of ik kaart voor kaart kan repareren op dezelfde manier. Dus op de werkbank mbv externe voeding. De sweepgenerator van het forum zou al drie printen schelen en daar kan een counter en marker op maar er moet ook een correctieversterker (agc) bij. Hij loopt nu over 300MHz al 5dB op en neer en het laatste stuk bijna 15dB. Maar misschien krijg ik die weer aan de praat. Het diodedeel in de RF unit lijkt nog goed en die correctieversterker of wat dan ook maar een spanning die weer die RF doos in moet. Niet dat ik denk hem weer helemaal goed te krijgen maar veel van het werk moet toch al voor de SA dadelijk en het is best leerzaam.

Ik kom er vanmiddag achter dat mijn HP signaalgenerator in de stand 512-1025 niet werkt. Hij doet dan nog steeds 512-1025 terwijl de counter het dubbele weergeeft. Ik heb dat nog niet eerder geprobeerd. Dat is een optie die werkt via verdubbeling dus ik zal eens in het manual duiken.

Mijn HP 1740A scoop is binnen. Daar zit een heel grappige probe bij. Die heeft twee "voelsprieten"
PA4TIM's opvangtehuis voor buizenbakken: Link
rbeckers
.
.
Berichten: 492
Lid geworden op: 10 mei 2008, 23:15

Re: Het grote wobbel/networkanalyzer topic

Ongelezen bericht door rbeckers »

Fred,

kaart voor kaart repareren is een goed idee.
Dus de problemen zijn alleen nog nu de sweep en de agc?

Mischien is die HP 1704 scoop probe een FETprobe.
Die zijn goed maar gaan gemakkelijk stuk.
Wat is het type van die probe?

René
Gebruikersavatar
fred101
.
.
Berichten: 878
Lid geworden op: 08 jun 2007, 08:08
Roepletters: PA4TIM
Locatie: Waardenburg
Contacteer:

Re: Het grote wobbel/networkanalyzer topic

Ongelezen bericht door fred101 »

Het is een HP10041 1:10. hij hangt aan de calibrator links onderin op de foto
http://www.hamforum.nl/viewtopic.php?f=81&t=1056
PA4TIM's opvangtehuis voor buizenbakken: Link
rbeckers
.
.
Berichten: 492
Lid geworden op: 10 mei 2008, 23:15

Re: Het grote wobbel/networkanalyzer topic

Ongelezen bericht door rbeckers »

Fred,

de HP10041A is een iets afwijkende 100MHz 10:1 passieve probe met 1M ohm//12 pF (ipv de gebruikelijke 10M ohm) met speciale punt.

René
Gebruikersavatar
fred101
.
.
Berichten: 878
Lid geworden op: 08 jun 2007, 08:08
Roepletters: PA4TIM
Locatie: Waardenburg
Contacteer:

Re: Het grote wobbel/networkanalyzer topic

Ongelezen bericht door fred101 »

Wat was de functie van die "antenne" punt. Het zijn twee sprieten die in een V vorm staan en dan op het uiteinde een haaks stukje naar buiten. De scoop komt oorspronkelijk uit de boedel van het Amerikaanse bedrijf Datapoint Corp, Het apparaat was gereedschap van de ontwikkelafdeling. De eigenaar werkte toen daar. Hij heeft daarna lang op zolder staan slapen.
PA4TIM's opvangtehuis voor buizenbakken: Link
Gebruikersavatar
fred101
.
.
Berichten: 878
Lid geworden op: 08 jun 2007, 08:08
Roepletters: PA4TIM
Locatie: Waardenburg
Contacteer:

Re: Het grote wobbel/networkanalyzer topic

Ongelezen bericht door fred101 »

Ik heb vanavond een verlaat verjaardags kadotje van een vriend gehad . Een doosje met iets van 200 doorvoer Ctjes en een philips PM5770 pulsgenerator. Deze kan wat ik eigenlijk tot nu toe niet kon. Mijn huidige kan pulsen maken maar altijd als variant op een blokgolf. Deze philips kan een enkele puls maken van een instelbare tijd maar ook met een hele lange delay tussen de pulsen. Deze is dus ideaal als TDR meter maar ik denk ook als esr generator want hij loopt van 1Hz tot 100MHz. Je schijnt hem zelfs als zaagtandgenerator (voor een vco) te kunnen gebruiken volgens de folder dus kan ik mooi de vco van die rus testen
PA4TIM's opvangtehuis voor buizenbakken: Link
Gebruikersavatar
fred101
.
.
Berichten: 878
Lid geworden op: 08 jun 2007, 08:08
Roepletters: PA4TIM
Locatie: Waardenburg
Contacteer:

Re: Het grote wobbel/networkanalyzer topic

Ongelezen bericht door fred101 »

Ik mis mijn rus toch best wel, eigenlijk het doen van de metingen ermee:

Ik kan :
- mbv de rus-restanten en zaagtand uit ons project een nieuwe wobbelaar maken. Dat zou dan als overbrugging zijn tot de forum SA klaar is. Best ingewikkeld aangezien ik de besturing van de bestaande versterker, mixer enz opnieuw moet uitvinden en het vrij onduidelijk is wat nu waarvoor diende en waar aan vast zat. ik kan ook niet zo makkelijk onderdelen daaruit isoleren/weghalen.
- de Funkamateur analyser kopen. Die gaat echter maar tot 160MHz en dmv losse verdubbeling tot 320MHz. Op het bereik na best een mooi concept. In ieder geval bouwzeker en geschikt voor leuke metingen. Het wordt gebracht als analyser maar het is een wobbelaar. Welliswaar met de mogelijkheden die ik zoek op het bereik na. (voegt eigenlijk niet zo veel toe aan mijn VNA en wobbelaars)
- ruisbron voor SA. Makkelijkste optie maar ik ben er nog niet uit of dat doet wat ik wil, is toch wat "lomp"
- hopen dat er ergens een complete kit is voor een 1GHz SNA/VNA. Ik heb hem nog niet gevonden. :snooty:
- Een gebruikte betaalbare SNA of VNA tot 1GHz tegen het lijf lopen. Een staatslot geeft meer kans :crybaby:
- de 8601 als wobbelaar gebruiken dmv frequentie verdubbeling of verdriedubbeling (dat doet dat ding van FA ook) Detectors enzo heb ik tenslotte genoeg. Hij is binnen 1dB constant. Eventueel een logdetector bouwen
- een tracking generator voor mijn SA bouwen. Alle leuke ontwerpen gaan uit van een zelfbouw SA en het heeft weinig zin nog een SA te bouwen want ik heb een goede en we zijn al bezig met die van het forum.

Ik zit steeds meer te denken aan die laatste optie, Het schema van een HP TG is niet echt nabouwbaar. Daar worden speciale gietstukken gebruikt voor de mixers. Feitelijk heb ik twee mixers een vaste oscillator en wat filters nodig. Misschien nog een versterker met AGC als dat nodig is om het signaal wat op te peppen. De SA geeft volgens mij al een mooie constante output.
Die LO zie ik niet als grootste probleem. dat kan desnoods met een kant en klaar bouwsteentje wat meteen mooi 50 ohm is. De filters moeten ook lukken, desnoods met cavity, helical of stripline maar er zijn ook commerciele.
Ik zit alleen met de mixers. Ik heb wel een leuke gevonden met een mrf941 http://www.altair.org/pix/shfconvsch.gif kan me bijna niet voorstellen dat het werkt maar dat doet het blijkbaar wel. http://www.altair.org/pix/shfconv.jpg
http://www.altair.org/mwave.html.

Kortom ik weet het even niet.

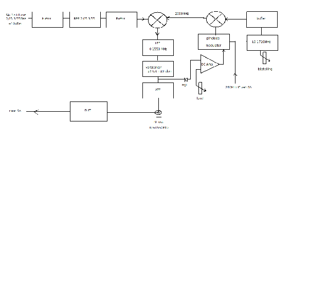
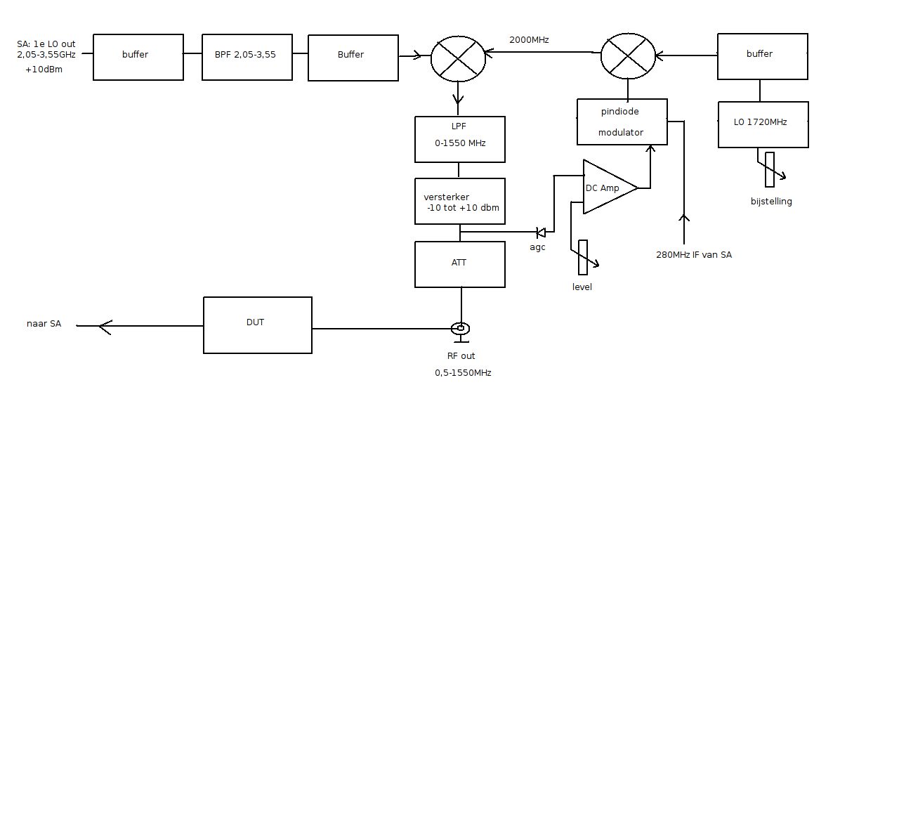
Dit is mijn principe ontwerp.
tracking gen HP.png
(met kopieren is er wat fout gegaan. De meeste buffers moeten filters zijn.
PA4TIM's opvangtehuis voor buizenbakken: Link
Gebruikersavatar
fred101
.
.
Berichten: 878
Lid geworden op: 08 jun 2007, 08:08
Roepletters: PA4TIM
Locatie: Waardenburg
Contacteer:

Re: Het grote wobbel/networkanalyzer topic

Ongelezen bericht door fred101 »

Om dit weer eens nieuw leven in te blazen, aangezien ik nu de beschikking heb over twee wobbelaars en 3 VNA's. Ik heb net een ericson directional coupler gekocht maar ik kom er niet echt uit hoe hij werkt. Hij heeft 4 poorten en er staat 40dB op. Ik beng bang dat dat +40dBm is want er komt maar weinig uit bij een forward meting.
PA4TIM's opvangtehuis voor buizenbakken: Link
rbeckers
.
.
Berichten: 492
Lid geworden op: 10 mei 2008, 23:15

Re: Het grote wobbel/networkanalyzer topic

Ongelezen bericht door rbeckers »

Fred,

is het niet maximaal 40dBm?
Kun je een foto van die coupler plaatsen?

René
Gebruikersavatar
fred101
.
.
Berichten: 878
Lid geworden op: 08 jun 2007, 08:08
Roepletters: PA4TIM
Locatie: Waardenburg
Contacteer:

Re: Het grote wobbel/networkanalyzer topic

Ongelezen bericht door fred101 »

ericson.jpg
Hier staat de foto. Zou best +40dBm kunnen zijn maar er staat alleen 40dB op. Ik begin te denken aan een uitkoppelaar die het signaal op de FWD en REF poorten 40dB verzwakt. Dat is wel handig om zenders af te regelen. Het is een Ericson KFR 111 065/1 R1K. Hij is in ieder geval 50 ohm.
PA4TIM's opvangtehuis voor buizenbakken: Link
Plaats reactie